Morphing Programmer Description

Morphing is crossfading of synth parameters, as opposed to just crossfading between complete sounds.
Morphing is far more interesting than just plain crossfading or switching of sounds!

The idea is to store several parameters of a modular patch, and "morph" between them.

My morphing programmer also allows one to switch instantly between sounds with no morph taking place.
You could switch between two or three sounds during a live performance,
change a filter cutoff, an envelope decay time or a certain LFO modulation strength.
You might even want to use a 4-pole-filter in one sound, and a 6-pole-phase-shifter in another.
(You can create dramatically different sounds on a modular, when only a few parameters are changed in this manner.)


What is needed here is a set of preset voltages (potentiometers for manual control voltages),
a switch to choose a certain set of preset voltages and VCAs to route the analog signal path.


While it is absolutely impossible to store "all" parameters of a large modular system,
sometimes it is very helpful to store at least a handful.



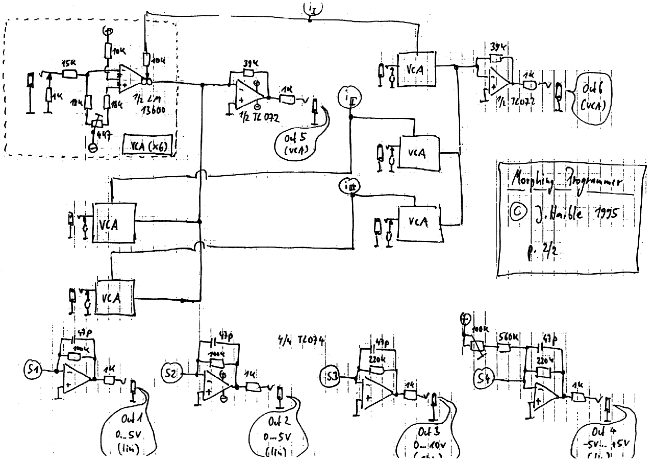
For example, my module has 3 sets of the following 6 parameters each-

Two linear potentiometers for control voltages (0 to 5V)
One logarithmic potentiometer for control voltages (0 to 10V)
One linear potentiometer for bipolar control voltages (-5V to 0 to +5V)
Two VCA channels

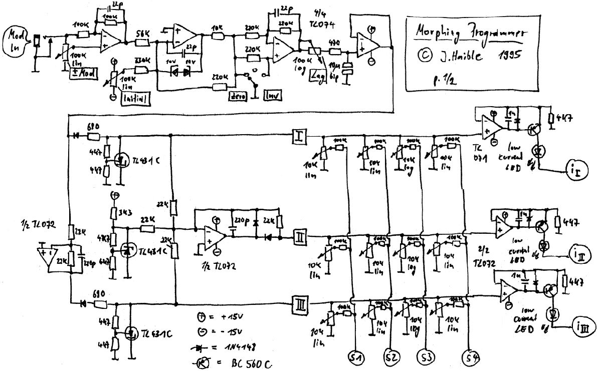
The Manual knob allows morphing between three sets of parameters:
set it at center position, you have the parameters of channel (=row) #2,
turn it left, and you fade into the parameter set #1,
or turn it right and fade into parameter set #3.

You can also use an external control voltage to do the same thing.
You can set the sensitivity of this CV as well as the direction (positive/negative),
and you can set a lag time to round corners of the CV or get a smooth morphing with switched CV.
There is also a Normal / Zero / Invert switch that allows fast access to the 3 parameter sets.

A user could be conservative and use a modulation wheel to morph between three sounds....
or wild and use a sample and hold to make random patches with every new note that's hit on the keyboard.
And so on...


Morphing Programmer schematic (part 1)

Morphing Programmer schematic (part 2)

Morphing Programmer panel layout



A few words about the implementation:

* For certain parameters (VCO tuning for example) you need CV's that are very stable,
so I chose reference diodes instead of simple zener diodes to define the end positions of the morphing sweep.

* I wanted to have the best signal to noise ratio I could get from a cheap VCA design (LM13700).
There was an article of Serge T. (yes, the one of Serge Modular fame) in an old EN issue where he showed that a 13700
would have better performance with the input resistors tied to the negative supply instead of ground,
thus approximating current sources far better than the data sheet circuits.

I tried this technique in the Morphing Programmer, and it works fine - but I have not measured the actual S/N ratio,
so I can't really tell if it's an improvement or not.

Anyway, I wonder why I have never ever seen this design trick in other circuits.
(Any hints and comments on this topic are highly welcome!)


Happy morphing!!!